Cel mai simplu este volmetru cu afisare date pe serial, care sa folosesca programul v16_Serial.ino, iar daca se pune un afisaj alfanumeric de tip LCD2004 (20 coloane si 4 randuri), se foloseste programul v16_LCD2004.ino., iar conectarea afisajului se face simplu, ca in articolul "Hello World!", doar c ala placa Arduino Mega.
Mihai Brandusoiu, care a venit cu ideea acestui voltmetru, are un afisaj grafic de 3,2" de tip shiled cu rezolutia 340x320 pixeli ce are driver HX8357, ce se poate achizitiona de la Ardushop.
Se poate folosi libraria lui Bodmer, TFT_HX8357 si programul scris de mine, care nu e bine aranjat, v16_HX8357.ino,
sau cel scris de Vlad Gheorghe, v16-2f-002.ino, ce s-a inspirat din filmuletul (si materialele din descrierea lui) numit 4CH Arduino Analog Voltmeter (Nokia 5110)
care are afisarea prezentata in filmuletul facut de Mihai
30.9.2019
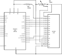
Mihai mi-a trimis poze cu sistemul de incarcare a 16 baterii, ce au minusul comun:
Deoarece prezinta interes, voi prezenta si un sistem de masura pentru baterii inseriate... curand, sper 😋










Niciun comentariu:
Trimiteți un comentariu